產品介紹
咨詢服務熱線:13957717877
產品概述
資料下載
相關產品
相關資訊

GPS8-18型雙電源自動轉換開關兼顧實用性與便捷性,參數可靈活調節,監測精準,安裝簡單,能有效保障負載供電穩定性,
適配不同電壓需求,且具備較長使用壽命,滿足各類場景的基礎供電切換及保護需求。
1. 監測精準可靠:
采用真有效值監測技術,電壓、電流測量誤差≤1%,能實時捕捉電源狀態,及時觸發保護機制,避免負載受損。
2. 參數調節靈活:
過壓、欠壓、過流的動作值及延遲時間均可按需設置,支持1V/0.1A的精細調節,適配不同負載的供電要求。
3. 安裝便捷高效:
采用DIN導軌安裝方式,符合EN/IEC 60715標準,體積僅82×72×68mm,重量320g,可靈活安裝于各類電氣控制柜內。
4. 使用壽命較長:
電氣壽命達1×10?次,機械壽命達1×10?次,能長期穩定運行,減少維護頻次和成本。
5. 操作簡單易懂:
支持手動與自動兩種模式,按鍵操作便捷,參數設置后長按3秒即可保存,60秒無操作自動退出設置模式。
1. 雙重保護功能:
同時具備過壓、欠壓保護和過流保護,可根據設定值自動切斷故障電源,避免電壓、電流異常對負載造成損壞。
2. 狀態清晰可見:
配備數字顯示屏和LED指示燈,可實時顯示電壓、電流值及故障狀態,能快速判斷產品運行情況和故障類型。
3. 相位選擇靈活:
支持L1、L2、L3、AUTO四種優先級相位設置,可自動或手動選擇電壓正常的相位供電,保障供電連續性。
4. 多延時可調:
支持上電延時、復位延時、切換延時、故障動作延時四種延時設置,延時范圍覆蓋0s~900s,適配不同場景需求。
5. 防護性能良好:
前面板防護等級達IP40,端子防護等級達IP20,能有效防塵、防異物侵入,適應不同環境使用。
6. 適配范圍廣泛:
額定工作電流涵蓋63A、80A,供電頻率適配45~65Hz,電壓范圍寬,可滿足不同場景的供電切換需求。
1. 工業控制場景:
適用于工業自動化設備、精密儀器的供電切換,可避免電壓、電流異常導致設備停機或損壞,保障生產連續性。
2. 商業建筑場景:
可用于寫字樓、商場等場所的應急供電切換,當主電源出現故障時,自動切換至備用電源,保障照明、監控等設備正常運行。
3. 民用場景:
適配家庭、小型商鋪等場所,用于重要電器的供電保護,避免因電壓不穩、停電導致電器損壞或使用中斷。
4. 通訊設備場景:
可用于小型通訊基站、網絡設備的供電切換,保障設備持續穩定運行,避免因供電故障導致通訊中斷。
5. 醫療輔助場景:
適用于小型醫療設備的供電保障,通過精準的電壓、電流監測和快速切換,為設備穩定運行提供支持(非生命支持類設備)。
6. 新能源配套場景:
可用于小型光伏、儲能設備的供電切換,適配不同電壓規格,保障電源切換的穩定性和安全性。
GPS8 - | 18 |
GPS8系列 | 設計序號 |
技術參數項 | GPS8-18-110V | GPS8-18-220V |
功能 | 自動轉換開關 | |
額定供電電壓 | AC110V(L1,L2,L3-N) | AC220V(L1,L2,L3-N) |
額定供電頻率 | 45~65Hz | |
工作電壓范圍 | 70V~400V(L1,L2,L3-N) | 80V-400V(L1,L2,L3-N) |
額定運行電流 | 63A,80A (AC1) | |
負載功耗 | AC max.3VA | |
過電壓動作值 | OFF,120V~300V | OFF,230V-300V |
欠電壓動作值 | 70V~100V,OFF | 140V-210V,OFF |
過/欠電壓動作延時 | 0.1s~10s | |
過電流動作值 | 1A-63A,80A | |
過電流動作延時 | 2s~600s | |
上電延時 | 2~600s | |
復位時間 | 2-900s | |
切換時間 | 0-900s | |
測量誤差 | ≤1% | |
電氣壽命(AC1) | 1×10? | |
機械壽命 | 1×10? | |
工作溫度 | -20°C~+60°C | |
儲存溫度 | -35°C - +75°C | |
安裝方式/DIN導軌 | Din rail EN/IEC 60715 | |
防護等級 | IP40(前面板)/IP20(接線端) | |
工作位置 | 任意 | |
過電壓類別 | Ⅲ. | |
污染等級 | 2 | |
尺寸(mm) | 82x72x68 | |
重量(g) | 320 | |

| 可用于手動開啟或關閉負載。 | |
| 長按設置鍵 3 秒進入設置模式,修改設置后,長按 3 秒保存設置。 | |
| 用于設置參數時增大數值。 | |
| 用于設置參數時減小數值。 | |
LED 狀態說明 | LED 指示燈:L1/L2/L3 | 指示燈 FLT |
| 該相未被選中 | 電壓正常 |
| 該相已被選中 | L1、L2、L3 三相電壓均故障 |
| 電壓故障恢復延時中 | 觸點斷開故障 |

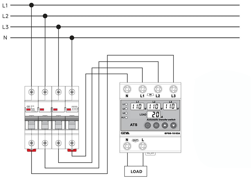
產品接線圖

產品接線示例
注意:
本產品不具備隔離功能,維修時請先斷開上級斷路器!!!
產品的輸入為 L1、L2、L3-N,輸出為 L-N。
本產品可設置供電優先相,示例如下:若將優先相設為 L1,產品會優先自動選擇 L1 相作為供電輸入;無論何種情況,只要僅
L1相電壓正常,產品便會自動切換至 L1 相供電。若將優先相設為 AUTO(自動模式),產品則會自動選擇電壓正常的任意一相作
為供電輸入。
你可通過以下功能原理圖理解本產品的工作邏輯。
故障復位:開啟,優先相:L1

故障復位:開啟,優先相:自動

故障復位:關閉,優先相:L1

過流故障

Tp:上電延時(2~600 秒)
Tr:復位延時(2~900 秒)
Tu:過 / 欠壓故障動作時間(0.1~10 秒)
Tc:過流故障動作時間(2~600 秒)
Ts:切換時間(0~900 秒)
注:當切換時間設為 0 時,實際切換時間約為 0.2 秒。

優惠券
我們的微信
13957717877
13957796089