產品介紹
咨詢服務熱線:13957717877
產品概述
資料下載
相關產品
相關資訊


為何選擇GRL8-03水池-水塔控制型液位繼電器? |
GRL8-03液位繼電器以高精度檢測、多重防護和致兼容性為核心,為用戶提供安全 可靠的液位控制解決方案。其小巧體積與便捷安裝特性,進一步降低了使用門檻,是各類 水泵液位控制場景的理想選擇。 |
GRL8-03水池-水塔控制型液位繼電器產品特點: |
1、?雙模式啟動,操作靈活? 內置強制啟動按鈕,并支持外接啟動功能,滿足緊急補水或工況需求,為用戶提 供多重操作選擇。 |
2、?智能防干抽保護? 通過實時監測水井液位,在水源不足時自動切斷水泵電源,徹底避免干抽風險,保護 水泵設備安全。 |
3、?靈敏度無調節(5-100kΩ)? 可根據不同水質導電率或液位檢測需求,自由調節靈敏度參數,適配復雜環境, 檢測穩定性。 |
4、?超寬電壓兼容(AC/DC 24V-240V)? 采用隔離電源設計,支持24V至240V交直流寬電壓輸入,適應多種供電環境,減少配 套電源成本。 |
5、?狀態直觀可視? 配備高亮LED指示燈,實時顯示繼電器運行狀態,故障排查與設備監控一目了然。 |
6、?緊湊型工業設計? 僅18mm超薄機身,支持35mm標準卡軌安裝,節省控制柜空間,尤其適合改造項目 或狹小空間部署。 |
GRL8-03水池-水塔控制型液位繼電器產品應用: |
本產品專為水塔從水井抽水的液位控制場景優化,可廣泛應用于: |
- ?農村自建水塔供水系統?:自動維持水塔水位,減少人工干預。 |
- ?小區二次供水設備?:防止水泵空轉,保障居民用水穩定。 |
- ?農業灌溉蓄水池?:智能控制井水抽取,提升灌溉效率。 |
- ?工業循環水系統?:精準管理補水流程,降低能耗。 |

GRL8-03水池-水塔控制型液位繼電器型號說明: |

GRL8-03水池-水塔控制型液位繼電器技術參數: |
| 額定沖擊耐受電壓 | 2.5kV |
| 額定絕緣電壓 | 250V |
| 靈敏度調節范圍 | 5 kΩ-100 kΩ(旋鈕調節) |
| 電探測電壓 | .AC5V |
| 電電流 | AC<0.1 mA |
| 響應時間 | 400 ms |
| 電電纜允許分布電容(值) | 400nF(25kΩ),200 nF(50kΩ),100 nF(100kΩ) |
| 電電纜長度(值) | 800米(25kΩ),400 米(50kΩ),200 米(100kΩ) |
| 輸出觸點參數 | 1組延時轉換 |
| 小切換功率 | 500mW |
| 機械壽命 | 1×107 |
| 電壽命(阻性負載) | 1×10? |
| 復位時間 | 200ms |
| 工作環境溫度 | -20℃~+55℃ |
| 存儲和運輸環境溫度 | -35℃~+75℃ |
| 安裝方式 | 35mm 卡軌安裝 |
| 防護等級 | IP20 |
| 安裝位置 | 任意 |
| 安裝海拔高度 | ≤2000米 |
| 污染等級 | 2 |
| 接線能力 | 1×2.5mm2或2×1.5mm20.4N·m |
| 外形尺寸 | 90mm×18mm×64mm |
| 重量 | 80g |
| 符合標準 | GB/T14048.5,IEC60947-5-1 |

GRL8-03水池-水塔控制型液位繼電器產品面板: |

GRL8-03水池-水塔控制型液位繼電器產品尺寸: |


GRL8-03水池-水塔控制型液位繼電器產品功能: |

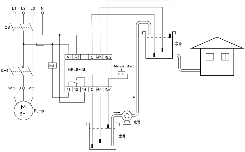
本產品用于控制高位水塔自低水井抽水。其工作原理如下: |
1.高水塔水位低于Min2,如果水井內水位高于Min1泵將開始工 作,直到水塔中的水位 達到Max2,水泵將停止工作。 |
2.當水井內水位達到Max1時,如果水塔內水位低于Max2,水泵將啟動一直工作到水塔 中的水位達到Max2,水泵將停止工作。如果不需要此功能,請不要連接Max1探頭。 |
3.水塔水位在Min2和Max2之間時按下“手動啟動”按鈕,水泵會強制啟動直到塔內水 位達到Max2,水泵停止工作。 |
4.水泵運行時,如果水位在水井低于Min1,泵將停止工作以避免空載以防止損壞泵。此 時紅燈將閃爍,表示水井缺水。 |
GRL8-03水池-水塔控制型液位繼電器產品接線: |


下一個:GRIS8系列隔離繼電器
優惠券
我們的微信
13957717877
13957796089