產品介紹
咨詢服務熱線:13957717877
產品概述
資料下載
相關產品


為何選擇GRT8-X 多功能數顯型時間繼電器? |
GRT8-X 多功能數顯型時間繼電器是現代工業控制系統中不可或缺的智能“時間管 家”。它將強大的功能、的適應性、用戶友好的操作以及緊湊的設計融為一體,為 工程師提供了高效、可靠且經濟的時序控制解決方案,是提升設備智能化水平和運行效 率的關鍵部件。 |
GRT8-X 多功能數顯型時間繼電器產品優勢: |
1、一機多用,降低成本: 豐富的 20 種工作模式替代了多種單一功能時間繼電器,減少備件種類和庫存 成本。 |
2、適應性強,部署靈活: 超寬工作電壓(12-240V AC/DC)和緊湊體積(18mm),輕松適應各種電氣環境和空 間限制。 |
3、設定直觀,操作簡便: 數顯界面結合清晰的功能選擇,使參數設定直觀易懂,調試效率高。 |
4、運行可靠,監控便捷: LED 狀態指示燈提供即時反饋,保障系統穩定運行,便于維護。 |
5、覆蓋廣泛,應用無憂: 從 0.1 秒到 99 天的延時范圍,滿足從精密控制到超長周期任務的幾乎時序需 求。 |
GRT8-X 多功能數顯型時間繼電器產品特點: |
1、時序靈活性: 提供高達 20 種精心設計的延時模式,滿足近乎時序邏輯需求。 - 電源控制延時 (5種): 利用主電源的通斷作為觸發信號,實現上電延時、斷電延 時等基礎但關鍵的控制。 - 信號控制延時 (13種): 通過外部獨立的控制信號(如按鈕、傳感器、PLC輸出) 精確觸發延時動作,包括累加延時、間隔觸發、單次循環等模式。 - ON/OFF 即時模式: 提供標準的通電立即動作(ON)和斷電立即動作(OFF)功能, 兼容基礎繼電器應用。 |
2、超寬廣的延時設定范圍: 延時時間可在 0.1 秒至 99 天 的驚人范圍內連續精確設定,輕松覆蓋從毫秒級精密 控制到長達數月的超長周期任務。 |
3、強大的電源適應性: 支持 AC/DC 12V 至 240V 的超寬工作電壓范圍,無論是低壓控制回路還是標準工 業電網,都能直接接入,無需額外轉換電源,大幅簡化系統設計。 |
4、運行狀態一目了然: 內置高亮度 LED 指示燈,實時清晰地指示繼電器線圈的吸合/釋放狀態以及電源狀 態,便于現場快速監控和故障診斷。 |
5、緊湊的安裝設計: 采用超薄設計,寬度僅為 18mm,可輕松安裝在配電箱內。標準 35mm 卡軌安裝, 安裝拆卸快速便捷,節省寶貴的控制柜空間。 |
GRT8-X 多功能數顯型時間繼電器產品應用: |
GRT8-X 憑借其20 種延時模式和 0.1 秒至 99 天的超寬延時范圍,成為工業自動化和設 備控制領域的通用型核心組件,廣泛應用于: |
1、工業自動化設備: 精確控制生產線上的機械手動作順序、傳送帶啟停間隔、注塑機保壓冷卻時間、裝配 工位節拍等。 |
2、智能照明系統: 實現樓宇走廊燈延時關閉、廣告燈箱定時開啟/關閉、路燈節能時序控制、舞臺燈光 效果切換等。 |
3、加熱與溫控系統: 管理烘箱、注塑機料筒、熱合機等設備的加熱元件通電時長、間歇工作周期以及后冷 卻時間。 |
4、電機與風機管理: 用于電動機的星三角啟動延時切換、多臺設備的順序啟停控制、風機間歇運行以實現 節能或防凍保護、水泵輪換運行控制。 |
5、通用時序邏輯控制: 適用于需要精確時間間隔、延時啟動、延時停止、周期性循環或單次觸發等復雜邏輯 的任何自動化場景。 |

GRT8-X 多功能數顯型時間繼電器型號說明: |
|
GRT8-X 多功能數顯型時間繼電器技術參數: |
型號 | GRT8-X1 | GRT8-X2 | |
功能 | 20種功能模式 | ||
電源端子 | A1-A2 | ||
額定控制電源電壓 | W240 | AC/DC 12-240V 50Hz | |
消耗功率 | AC 0.7-3VA/DC0.5-1.7W | ||
額定控制電源電壓 | A220 | AC 220V50Hz | |
消耗功率 | ACmax.6VA/1.3W | ACmax.6VA/1.9W | |
電源允許波動范圍 | -15%;+10% | ||
額定沖擊耐受電壓 | 2.5kV | ||
額定絕緣電壓 | 250V | ||
延時范圍 | 0.1秒-99天 | ||
設定方式 | 按鍵設定 | ||
延時精度 | 1% | ||
重復精度 | 0.20% | ||
溫度波動誤差 | 0.05%/℃,at=20℃ | ||
| 輸出觸點參數 | 1組轉換觸點 | 2組轉換觸點 | |
| |||
小切換功率 | 500mw | ||
輸出繼電器指示 | 紅色LED | ||
機械壽命 | 1×107 | ||
電壽命(阻性負載) | 1×10? | ||
復位時間 | 200ms | ||
工作環境溫度 | -20℃~+55℃ | ||
存儲和運輸環境溫度 | -35℃~+75℃ | ||
安裝方式 | 35mm卡軌安裝 | ||
防護等級 | IP20 | ||
安裝位置 | 任意 | ||
安裝海拔高度 | ≤2000米 | ||
污染等級 | 2 | ||
接線能力 | 1×2.5mm2或2×1.5mm2 0.4N ·m | ||
外形尺寸 | 90mm×18mm×64mm | ||
重量 | W240-62g,A220-60g | W240-82g,A220-81g | |
符合標準 | GB/T14048.5,IEC60947-5-1,EN61812-1 | ||

GRT8-X 多功能數顯型時間繼電器產品面板: |
|
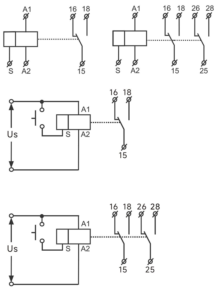
GRT8-X 多功能數顯型時間繼電器產品接線: |
|
GRT8-X 多功能數顯型時間繼電器使用案例: |
注意:使用案例僅供參考,便于理解繼電器工作原理,實際應用應該根據實際需要來接 線 |
案例1:工作模式設定為07,通過傳感器(PNP)接入,當傳感器感應到信號時,繼電器 動作(15-18閉合),通風風扇工作,當傳感器失去信號時,繼電器延時t后斷開(15-18斷開 ),通風風扇停止工作。 |
|
案例2:工作模式設定為03,通風風扇打開10小時,關閉1小時,循環打開和關閉通風 風扇。 |
|
案例3:工作模式設定為02,時間繼電器得電動作(15-18閉合),接觸器閉合,水泵開始 工作,延時t到,繼電器斷開(15-18斷開),接觸器斷開,水泵停止工作。 |
|
案例4:工作模式設定為08,按下觸發按鈕,時間繼電器動作(15-18閉合),點亮燈泡, 延時t到,繼電器斷開(15-18斷開),燈泡關閉。 |
|

GRT8-X 多功能數顯型時間繼電器產品尺寸: | |
| |
GRT8-X 多功能數顯型時間繼電器產品功能: | |
1、通電延時 | |
|
當繼電器Us得電,繼電器開始延時,延 時t后輸出觸點閉合。繼電器Us斷電后, 輸出觸點斷開,S控制信號在這個功能模 式中無效。 |
2、延時斷開 | |
| 當繼電器Us得電,繼電器輸出觸點馬上 閉合,開始延時,延時t后輸出觸點斷開, 如延時時間t未到繼電器Us失電,則輸出 觸點斷開,S控制信號在這個功能模式中 無效。 |
3、循環延時(OFF開始) | |
| 當繼電器Us得電,繼電器開始延時,延 時t1后輸出觸點閉合,同時又經過延時 時間t2后繼電器輸出觸點斷開,如此循 環延時直到繼電器Us失電,S控制信號在 這個功能模式中無效。 |
4、循環延時(ON開始) | |
| 當繼電器Us得電,繼電器閉合并開始延 時,延時t2后輸出觸點斷開,同時又經過 延時時間t1后繼電器輸出觸點閉合,如此 循環延時直到繼電器Us失電,S控制信號 在這個功能模式中無效。 |
5、脈沖輸出 | |
| 當繼電器Us得電,繼電器開始延時,延時 t1后輸出觸點閉合,同時又經過延時時間 t2后繼電器斷開并保持,繼電器Us斷電后, 輸出觸點斷開。S控制信號在這個功能模式 中無效。 |
6、通過外部控制的通電延時 | |
|
當繼電器Us處于通電狀態,當S控制端接 通時,繼電器開始延時,延時t后輸出觸點 閉合,當S控制端斷開后輸出觸點斷開。 |
7、延時斷開(S下降沿觸發開始) | |
|
當繼電器Us處于通電狀態,當S控制端接 通時,繼電器馬上閉合,當S控制端斷開 時,開始延時,延時t后輸出觸點斷開,延 時過程S控制端重新接通并斷開,延時 t清零重新延時。 |
8、延時斷開(S上升沿觸發開始) | |
| 當繼電器Us處于通電狀態,當S控制端接通 時,繼電器閉合,同時繼電器開始延時,延 時t后輸出觸點斷開,延時t過程中S控制端 重新接通,延時t保持不變繼續延時。 |
9、S下降沿觸發閉合,延時斷開 | |
|
當繼電器Us處于通電狀態,當S控制端斷 開時,繼電器閉合,同時繼電器開始延時, 延時t后輸出觸點斷開,延時t過程中S控制 端重新接通斷開,延時t保持不變繼續延時 |
10、接通/斷開延時 | |
| 當繼電器Us處于通電狀態,當S控制端接通 時,繼電器開始延時,延時t1后輸出觸點閉 合,當S控制端斷開時,繼電器開始延時, 延時t2后輸出觸點斷開。 |
11、脈沖轉換 | |
| 當繼電器Us處于通電狀態,當S控制端接通 時,繼電器輸出觸點狀態轉換。 |
12、通過外部控制的循環延時(OFF開始) | |
| 當繼電器Us處于通電狀態, S端子閉合繼 電器開始延時,延時t1后輸出觸點閉合, 同時又經過延時時間t2后繼電器輸出觸點 斷開,如此循環延時直到S端子斷開。 |
13、通過外部控制的循環延時(ON開始) | |
| 繼電器Us處于通電狀態,S端子閉合繼電 器閉合并開始延時,延時t2后輸出觸點斷 開,同時又經過延時時間t1后繼電器輸出 觸點閉合,如此循環延時直到S端子斷開。 |
14、通過外部控制的脈沖輸出 | |
| 繼電器Us處于通電狀態,當S端子閉合, 繼電器開始延時,延時t1后輸出觸點閉 合,同時又經過延時時間t2后繼電器斷 開。 |
15、通過外部控制延時啟動和停止 | |
| 繼電器Us處于通電狀態,當S端子觸發, 繼電器開始延時,延時t1后輸出觸點閉 合并保持,當S端子再次觸發,繼電器開 始延時,延時時間t2后繼電器斷開。 |
16、通過外部控制的雙延時斷開 | |
| 繼電器Us處于通電狀態,當S端子閉合, 繼電器閉合并開始延時,延時t1后輸出 觸點斷開,當S端子斷開,繼電器重新閉 合并開始延時,延時時間t2后繼電器斷開。 |
17、通過外部控制延時啟動 | |
| 繼電器Us處于通電狀態,當S端子閉合, 繼電器開始延時,延時t后輸出觸點閉合 并保持,當繼電器Us斷開,繼電器斷開。 |
18、通過外部控制延時閉合 | |
| 繼電器Us處于通電狀態,當S端子觸發, 繼電器開始延時,延時t后輸出觸點閉合, 再次觸發,繼電器斷開并開始延時,延時 t后輸出觸點閉合。延時過程中S端子觸發, 重新開始延時。當繼電器Us斷開,繼電器 斷開。 |
19、一直閉合 | |
| 繼電器Us處于通電狀態,繼電器閉合, Us 處于斷電狀態,繼電器斷開。 |
20、一直斷開 | |
| 繼電器Us處于通電或斷電狀態,繼電器都斷 開。 |
下一個:GRT8-P延時脈沖型時間繼電器
優惠券
我們的微信
13957717877
13957796089