產品介紹
咨詢服務熱線:13957717877
產品概述
資料下載
相關產品
相關資訊


為什么選擇GYJ65LE-100型剩余電流動作斷路器RCBO? |
GYJ65LE-100型剩余電流動作斷路器RCBO集多重保護功能于一體,規格多樣且適配 性強,既可以單獨使用,也可與CFJ65系列斷路器組合安裝,組成完善的用電保護系統, 能滿足不同場景的用電安全需求,且符合國家相關標準,安全可靠。 |
GYJ65LE-100型剩余電流動作斷路器RCBO產品優勢: |
1. 多重保護,安全有保障: 不僅能對致命人身觸電、線路及設備漏電進行補充保護,還具備過載、短路保護功 能,守護用電安全,避免安全隱患。 |
2. 規格多樣,適配性廣: 電流規格可選63/80/100/125A,規格可選1P+N/2P/3P/3P+N/4P,可根據不同電 路需求靈活選擇,適配多種電壓場景。 |
3. 安裝靈活,使用便捷: 支持單獨使用或與CFJ65系列斷路器組合安裝,適配導軌安裝方式,安裝操作簡便, 同時可作為線路不頻繁通斷使用。 |
4. 合規達標,品質可靠: 作為國家產品,嚴格執行GB/T 14048.2標準,產品性能穩定,符合用電安全相 關規范,保障長期穩定運行。 |
GYJ65LE-100型剩余電流動作斷路器RCBO產品特點: |
1. 動作靈敏,響應迅速: 額定漏電動作電流為100mA,不動作電流≤50mA,漏電動作時間≤0.1s,能快速 響應漏電隱患,及時切斷電源,減少傷害。 |
2. 適配多種電壓,通用性強: 適用于交流電壓230V/400V、50Hz的電路,涵蓋單相、三相多種供電場景,適配 不同用電環境。 |
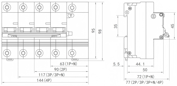
3. 結構合理,安裝便捷: 采用標準化導軌安裝設計,外形尺寸規范,不同規格可對應適配的安裝尺寸,便于 配電箱內布局安裝,節省空間。 |
4. 功能集成,實用性強: 整合漏電、過載、短路三重保護功能,無需額外搭配其他保護設備,簡化用電保護 系統配置,降低使用成本。 |
GYJ65LE-100型剩余電流動作斷路器RCBO產品應用: |
1. 現代居家場景: 適配家庭住宅的電路保護,可用于總開關或分路開關,守護家人用電安全,防止家 電漏電、線路過載等隱患。 |
2. 寫字樓場景: 適用于寫字樓的辦公電路,為辦公設備、照明線路提供保護,避免因設備漏電、線 路短路影響辦公秩序。 |
3. 工廠場景: 適配工廠生產車間的電路系統,應對工業設備的用電需求,防止設備漏電、過載引 發安全事故,保障生產安全。 |
4. 公共場所場景: 可用于商場、超市、醫院等公共場所的電路保護,覆蓋公共照明、各類用電設備, 守護公眾用電安全。 |
5. 照明線路場景: 專門適配各類照明線路,無論是居家、辦公還是公共場所的照明電路,均可提供穩 定的保護,避免線路漏電、過載導致的故障。 |

GYJ65LE-100型剩余電流動作斷路器RCBO型號說明: | |||||
GYJ | 65 | LE | 100 | 3PN+N | 80 |
↓ | ↓ | ↓ | ↓ | ↓ | ↓ |
企 業 代 號 | 小 型 斷 路 器 代 號 | 電 子 式 漏 電 斷 路 器 | 殼 架 電 流 | 規 格 : 1P+N 2P 3P 3P+N 4P | 額 定 電 流 |
GYJ65LE-100型剩余電流動作斷路器RCBO技術參數: | |||||
1、型號:GYJ65LE-100 | |||||
2、額定工作電壓(V):230V、400V | |||||
3、額定工作電流(A):63、80、100、125 | |||||
4、規格:1P+N、2P、3P、3P+N、4P | |||||
5、額定短路分斷能力(kA):6 | |||||
6、額定漏電動作電流(mA):100 | |||||
7、額定漏電不動作電流(mA):≤50 | |||||
8、漏電動作時間(s):≤0.1 | |||||
GYJ65LE-100型剩余電流動作斷路器RCBO產品尺寸: | |||||
| |||||
優惠券
我們的微信
13957717877
13957796089